中国车用氢能产业正处于快速起步阶段。充分认识氢气的危险性、安全利用氢能是我国车用氢能产业健康发展的基础。本文在分析氢气的物理化学性质和氢气与材料相容性问题后,提出了实现氢气安全利用的三个基本原则;系统介绍了日本在高压氢能安全利用方面的研究成果与安全技术措施,提出了我国燃料电池汽车(FCEV)发展中安全利用氢能的建议:一是总体规划设计,加大科技投入,形成以国家氢能安全实验室为主体,社会科技力量积极参与的研究体制;二是加快修订完善车用氢能安全标准体系;三是构建70 MPa涉氢装备制造体系。
一、前言
我国燃料电池汽车(FCEV)产业刚进入市场导入期就呈现了快速发展的态势,截止2019年年底,累计销售燃料电池汽车6184辆,建成加氢站51座,形成了涵盖氢生产、氢储运、加氢站、燃料电池、FCEV及关键设备和部件的产业链雏形,20多个省市发布了指导和支持FCEV产业发展的规划、方案和意见,预计到2030年我国FCEV保有量将达200万辆、加氢站数量达1000余座。
氢气是易燃易爆气体,利用过程的安全措施一旦失当,容易发生着火爆炸事故,造成人员伤亡和财产损失,但目前对氢气的危险性解读存在一些误区。
2019年,美国、韩国、挪威分别在氢运输、储存、加注过程发生了氢安全事故,导致当地宣布暂停加氢站运营,引发了业界对FCEV产业健康发展的担忧和对氢能利用安全技术研究的重视与关注。氢能安全利用贯穿氢气的生产、储运、加注、FCEV利用等环节,是FCEV产业健康发展的首要保障。
相对于FCEV、加氢站及相关产业的快速发展,我国对氢能利用安全技术的系统性研究相对匮乏,落后于产业发展的现实需求,尚不具备支撑产业健康快速发展的能力。
一是我国氢能安全技术研究基础薄弱,氢能安全技术研究主要集中在氢燃料电池安全、氢行为、涉氢设备的材料相容性等基础领域,研究力量分散、深度不足,涉氢设备、材料和部件的安全可靠性测试方法和检测认证手段缺乏,燃料电池安全、整车安全、储氢罐安全研究不能包括实际应用过程的所有事故场景,加氢站安全技术研究接近空白。
二是我国已建立的车用氢能安全法规标准缺少科学性和完整性。目前我国FCEV相关的标准制定由国家标准化委员会下设的若干标准技术委员会负责,主要涵盖整车标准、燃料系统、基础设施、通用基础等方面。
这些标准以借鉴、参考、翻译国外标准为主,缺乏足够的实验数据和必要的安全技术研究支撑。如《加氢站技术规范》(GB50516—2010)对加氢站与民用建筑的防火距离设置,我国规定为20~35m,国外采用风险评估后确定,日本控制在8m以上。简单从严选择,借鉴国外标准使标准的科学性、合理性不足,不利于我国FCEV产业的健康发展。
三是我国不具备国外普遍使用的FCEV供氢系统装备的产业化能力,与之相关的安全技术研究处于空白状态。
国外供氢系统压力普遍是70MPa,由于技术和制造能力限制,我国FCEV用氢压力为35MPa。35MPa供氢压力极大降低了FCEV的行驶里程,增加了氢气的储存运输成本,未来采用70MPa系统是必然趋势,必须有可靠的检验测试标准和方法做保障。
在制定标准时虽然可以借鉴国外的研究成果,但我国应该具备自主进行70MPa和90MPa储氢瓶,加氢站建设使用阀门、管件、仪表、加氢枪等的安全可靠性及使用寿命测试认证的能力。
日本是世界上FCEV技术开发与市场推广领先的国家,开展了系统的安全技术研究,建立了设施完备的车用氢能安全研究测试机构,形成了系统全面的临氢承压储氢瓶、阀门、仪表、管件等的安全检测检验方法和标准体系,其经验具有一定的参考和借鉴价值。
本文首先指出应科学认识氢气的危险性,并根据氢气的物理化学性质,合理制定用氢安全对策;然后以较大篇幅详细介绍了日本的氢能利用安全技术研究情况及启示;最后提出了加强我国氢能利用安全技术研究与标准体系建设的建议,以支撑我国FCEV产业的健康发展。
二、科学认识氢气危险性,合理制定用氢安全对策
(一)氢气的物理化学性质
氢是自然界广泛存在的元素,煤炭、石油、天然气、动物、植物乃至人体都含有氢元素。氢气具有无色、无味、无毒、可燃易爆的特点,密度为0.0899kg/Nm3 ,沸点为-252.8℃,常温下,氢气性质稳定。表1列出了汽油、天然气、氢气的物理化学性质。
与汽油和天然气相比,氢气具有三个特性:
一是氢气爆炸浓度下限与燃烧浓度下限差值远高于汽油和天然气。易燃易爆气体与空气混合后遇明火引燃,当其浓度即单位体积能量密度达到引爆需要的能量时,才会发生爆炸,所以燃烧与爆炸的浓度范围理论上是有差异的,但是不少易燃易爆气体的燃烧浓度范围限值与爆炸浓度范围限值差异不大,准确测定困难,如汽油和天然气的燃烧浓度范围下限与爆炸浓度下限差值较小,汽油为0.1v%,天然气为1.0v%。
为了强调其爆炸的危险性,一些文献资料只介绍爆炸浓度范围,甚至将燃烧浓度范围直接作为爆炸浓度范围。在分析氢气的安全性时,既要关注燃烧浓度范围,也要关注爆炸浓度范围。
氢气的爆炸浓度范围是18.3v%~59.0v%,燃烧浓度范围是4.0v%~75.0v%,两者之间是有明显差异的,如果将氢气的燃烧浓度范围(4.0v%~75.0v%)当作爆炸浓度范围,就放大了氢气的易爆性。
二是氢气燃烧时单位体积发热量和单位体积爆炸能相对较低。氢气燃烧时单位体积发热量仅为汽油的0.053%,单位体积的爆炸能量为汽油的4.57%。
三是氢气的比重最低。当空气的比重为1时,汽油蒸气的比重在3.4~4.0,氢气仅为0.0695,汽油在空气中泄漏时会积聚在地面上,氢气泄漏至空气中很容易向上扩散,在受限空间内会集聚在上部,如果受限空间的上部有良好的通风措施,氢气就不容易集聚。熟悉和了解氢气的三个特性,对制定氢能安全利用对策十分重要。
表1 汽油、天然气、氢气的物理化学性质
(二)氢与材料的相容性问题
氢与材料的相容性问题是高压氢气系统选择金属材料时必须十分重视的问题,与储氢瓶、管线、阀门、仪表、管件使用中的安全性密切相关。
氢气在达到一定温度和压力时,会解离成直径很小的氢原子向金属材料中渗透,进入材料的氢原子又会在材料内部转化为氢分子,还会和材料中的碳发生反应造成脱碳并生成甲烷,从而在材料内部产生很大的应力,使材料的塑性和屈服强度下降而造成材料发生裂纹与断裂。
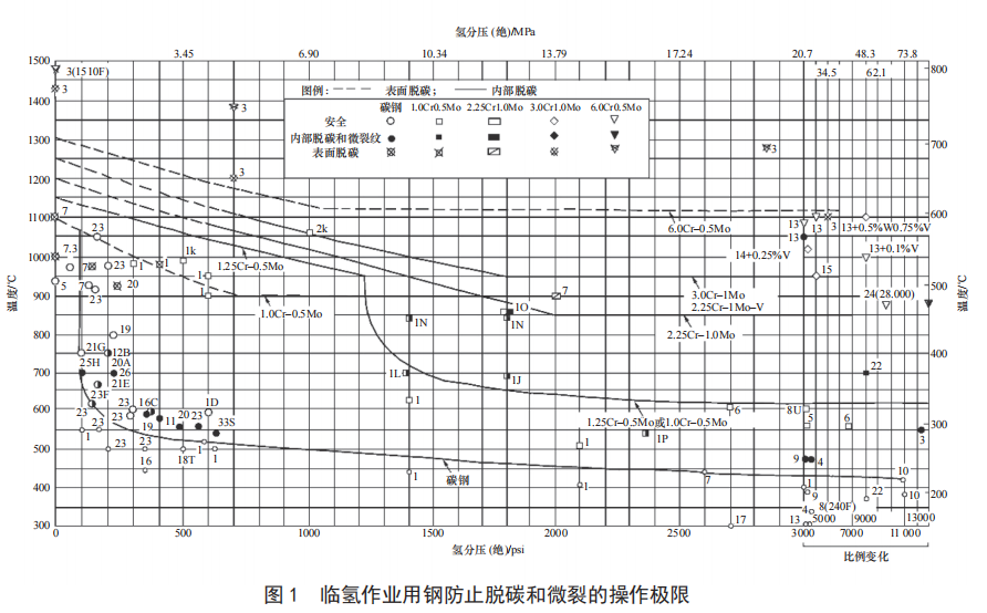
前人对高温高压临氢环境下如何防止氢脆与金属材料的选择开展了大量研究工作。
图1显示了温度范围在150~820℃临氢作业用钢防止脱碳和微裂的操作极限,可以作为目前FCEV供氢系统金属材料选择的参考,但是FCEV供氢系统压力高,温度不高,部分环节是低温环境,使用的氢气纯度高,如何选择材料防止氢脆,提高氢气与材料的相容性应进行必要的研究,而且FCEV供氢系统要在升压降压反复循环条件下长期运行,材料选择时还必须十分关注材料的抗疲劳性能。
图1 临氢作业用钢防止脱碳和微裂的操作极限
(三)氢能利用的安全对策
氢气和天然气均为易燃易爆气体,对比物理化学性质,氢气的危险性不高于天然气。天然气已经进入千家万户成为日常使用的清洁燃气,像管理天然气一样管理氢气,落实安全措施,氢能是可以安全利用的。
鉴于氢气的物理化学性质和天然气安全使用的经验,氢气的安全利用应遵守三个基本原则:
一是不泄漏,即防止氢气尤其是压缩氢气系统的氢气泄漏。要确保储氢瓶、阀门、安全阀、管件、接头及连接件、仪表、垫圈的可靠性,选用的金属材料与氢要有良好的相容性。
二是早发现,即氢气泄漏后能及早发现。要在容易发生氢气泄漏的部位设置高灵敏度的氢气浓度自动检测仪表及报警装置,一旦发生泄漏能及时报警处理。
三是不积累,即防止氢气泄漏后的积聚。受限空间如加氢站储氢瓶的储存间和氢气压缩机间要具备良好的通风性能,易发生氢气泄漏的部位要设置与氢气检测报警联动的防爆强制通风设备,氢气泄漏时要能够迅速启动强制通风设备,使氢气尽快向空中扩散。
三、日本氢能安全技术研究及启示
(一)日本支持氢能发展战略的安全技术研究
日本在建设氢能社会和发展FCEV、家用燃料电池等领域处于世界领先地位。2014年日本发布了建设氢能社会的路线图,2017年发布了氢能发展战略,明确了2020年和2030年的战略发展目标(见表2),成为世界上第一个提出建设氢能社会的国家。
在政府的支持下,日本企业、科研机构和高校从20世纪80年代起就围绕氢能利用的基础理论、应用技术、仪器仪表装备制造等开展了系统研究,其中,氢能利用中的安全技术是最为重要的内容之一。进行氢能利用安全技术研究后,日本认为其《高压气体保安法》可作为制定安全利用氢能标准规范的依据。
表2 日本氢能发展战略目标
由政府与汽车企业各提供50%资金建设和运行的日本自动车研究所是日本开展车用氢能安全研究的重要机构,建有世界上第一座可以进行FCEV、电动汽车(EV)、内燃机汽车火灾爆炸评价测试的大型试验仓,如图2所示,还建有高压氢气试验设备、液压试验设备、液化氢试验设备等。
开展了容量为260L的70MPa储氢瓶破坏性试验、FCEV整车火烧试验、氢气泄漏火灾爆炸试验、高压氢系统设备破坏性测试、容器阀门等的循环寿命和耐久性试验、高压氢安全加注程序研究,以及FCEV、电动汽车和汽油车安全性对比研究等,为支撑日本车用氢能安全利用做出了重要贡献。
(二)高压储氢瓶设计制造与安全可靠性检测
日本FCEV采用70MPa的高压氢气,加氢站氢气压缩机出口压力及储氢瓶最高压力达90MPa,储氢瓶制造的可靠性及安全性能测试十分重要。70MPa、90MPa储氢瓶一般采用3层结构,表层采用玻璃纤维复合材料,中间层采用碳纤维复合材料,III型瓶内层采用铝合金内胆,IV型瓶内层采用塑料内胆。
储氢瓶口与出口阀的结合部位通过特殊的结构设计确保阀门在使用压力下不会像炮弹出膛一样被冲出,瓶身部位玻璃纤维及碳纤维复合材料采用特殊的缠绕方法确保储氢瓶的强度达到长期使用要求。
储氢瓶设计及制造技术的可靠性要通过水压爆破试验、枪击试验和火烧试验测试等检测,还要通过汽车碰撞试验测试储氢瓶的安全性。
日本70MPa储氢瓶水压爆破试验压力为200MPa,90MPa储氢瓶水压爆破试验压力为300MPa,高于ISO/TS15869、ISO11439等关于高压储氢瓶的破坏性试验压力为操作压力2.25倍合格值的规定。用7.62mm穿甲弹正面枪击储氢瓶,子弹卡在储氢瓶壳层内,不能击穿瓶体。
当暴露在火灾中的储氢瓶内温度达到105℃后,储氢瓶熔断安全阀会迅速打开,朝预先设定的熔断阀出口方向快速泄放,70MPa容积为60L的储氢瓶大约需要1min排空氢气,瓶内气体喷射的氢气迅速燃烧不发生爆炸,火焰长度最长可达10m。
丰田MiraiFCEV被80km/h车辆追尾碰撞造成车身损毁时储氢瓶完好无损。
(三)高压氢系统设备材料安全性能评价测试
高压氢气系统使用的金属材料必须经过材料安全性能测试。加氢枪使用的软管在高压下要能反复经受低温(-40℃)到高温(85℃)的循环测试。截止阀、流量调节阀、紧急切断阀、安全阀、高压气瓶熔断阀等阀门和管件垫圈都要在高压氢环境下进行长期使用性能测试。
加氢枪加氢时充注的氢气温度高于85℃时,必须立即停止加氢的温度传感器和光纤要进行稳定性和可靠性测试。加氢使用的流量计要经过高压氢环境下计量准确性测试。氢气泄漏或着火后自动检测报警的传感器要进行灵敏性准确可靠性测试。
为做好上述高压氢气系统的设备仪表材料安全性能的评价测试,福冈市政府投资建设了福冈氢能测试研究中心,该中心有齐全且专业的测试实验室,其中包括抗爆试验仓、高压氢用阀门耐久性测试、加氢高压软管低温循环测试、O型圈疲劳测试、加氢站储氢瓶破坏性测试等测试实验室,他们既研究测试试验的方法,还接受设备及材料制造商和用户的委托开展安全性能测试,合格后方可投放市场。
(四)加氢站安全技术措施
日本的加氢站一般建在交通便利、方便用户的地段,或在人口稠密处或在交通要道上。
日本允许在加油站内建设加氢站,即油氢混合站。还允许加氢站内建设集装箱式天然气或以丙烷为原料的制氢装置,即在线制氢加氢站。加氢站内既有大容量高压储氢瓶,也有高压压缩机、氢气接卸设施。
加氢站与周边建筑物的安全距离只要求遵守《高压气体安全法》的规定,和居民住宅及各类公共设施的距离不小于8m,加氢站和民宅、公共设施设置厚10cm 的隔离墙。
为确保加氢站的安全,采取的安全技术措施主要有:
-
在氢气容易泄漏的部位都设有高灵敏度氢气泄漏检测器,氢气体积浓度高于1% 时及时报警,设有多台火焰检测器,能及时发现站内氢气着火并进行报警。
-
高压储氢间、氢压缩机间等建筑物要考虑氢气泄漏后不积聚,采用既防雨水又易排气的屋顶设计,室外加氢机顶棚设计要有利于氢气向高空扩散。
(五)FCEV安全设计与安全性能测试
丰田Mirai的2个储氢瓶用底盘和车体内部空间实现隔离(见图4),SORA公共汽车的10个储氢瓶设置在车顶,靠顶板实现氢气和汽车内部空间的隔离,防止氢气泄漏到车厢内(见图5)。
车身安装碰撞传感器,检测到碰撞时会自动关闭储氢瓶出口阀门。Mirai在车身设置2台氢气探测器,SORA设置4台氢气探测器,检测到氢气泄漏时也会立刻关闭储氢瓶出口阀门,确保氢气泄漏后可检测、可及时终止泄漏。
车身采用流线型设计,利于氢气扩散,确保氢气泄漏后不积聚。
图4 丰田Mirai氢燃料关联零部件设置示意图
图5 丰田SORA氢燃料关联零部件设置示意图
为评价氢气泄漏对FCEV安全性能的影响,开展了氢气扩散模拟试验、氢气着火时的燃烧动态试验、管路等有微小泄漏点火试验、氢气泄漏后滞留在汽车某部位点火试验、假设氢气充满在车厢点火试验、通过安全阀放出的氢气着火试验、车辆着火试验等。
氢气泄漏后滞留在汽车某部位点火试验以131L/min向汽车前后轴中间部位释放氢气,约100s后氢浓度达到23.8%,用电火花打火发生燃爆,前挡风玻璃附近和车体下部有高温部位,燃爆压没有导致车体变形,热辐射是地面太阳光热量的1/10以下,没有观测到冲击压强,声音压强远低于伤害耳膜的等级。
在氢气充满车厢点火试验中,氢浓度在12%以下,电火花打火,瞬间氢气着火,但不足以点燃车厢内餐巾纸(燃烧发热量小);能使车玻璃破碎的爆炸冲击波需要氢浓度达到40%以上。
在破坏FCEV储氢瓶和汽油车油箱漏油后的车辆着火试验中,FCEV的储氢瓶氢气泄放并向上燃烧,约1min后熄火。汽油油箱向下漏油,持续燃烧,导致轮胎和车体着火,车辆烧毁。电动汽车因电池温度失控、隔膜破裂导致火灾无法扑灭,着火时间约1h,车辆烧毁。试验结果表明:FCEV的安全性与燃油车、天然气车相当,优于电动汽车。
四、加强我国车用氢能安全技术研究与标准体系建设的建议
(一)总体规划设计,加大科技投入,形成以国家氢能安全重点实验室为主体,社会科技力量积极参与的研究体制
氢能安全技术是实现FCEV发展目标的重要支撑性公用技术,应由国家安全生产主管部门总体规划设计并筹建氢能安全国家重点实验室。
要借鉴国外经验,明确氢能安全技术必须覆盖的研究项目、必须建设的实验设施和装备,建设投资和日常研究经费应列入中央财政,确保适时投入。
氢能安全国家重点实验室的研究工作应由国家安全生产主管部门管理,氢能安全利用的标准规范制定应由国家实验室负责。
氢能安全利用技术研究还需要发挥地方政府和企业的积极性,允许有条件的省市和企业建设氢能检测与研究机构,机构应由国家安全生产主管部门审定批准,测试仪器设备设施和技术力量应满足国家标准规范的要求,可有偿接受氢能系统设备、材料、阀门、管件、仪器、仪表、加氢枪的检测鉴定认证。
逐步形成以氢能安全国家重点实验室为主体,社会科技力量积极参与的研究体制。
(二)加快修订完善车用氢能安全标准体系
建立先进完整的车用氢能安全标准体系,是支撑FCEV及相关产业科学、健康发展的迫切需要。车用氢能的开发利用涉及制氢、氢气压缩或液化储存、运输、加注、燃料电池、FCEV等诸多环节,既要确保安全又要有利于FCEV的发展。
日本在车用氢能领域建立了先进、完整的标准体系,如针对FCEV,高压氢系统(包括高压储氢瓶和容器主阀)适用《高压气体保安法》,其余车辆系统适用《道路运送车辆法》。针对加氢站遵循的法律标准、规范主要有:《高压气体保安法》《消防法》《建筑基准法》《加氢站安全检查标准》等。
目前我国发展FCEV的热度不比日本低,但与FCEV安全有关的国家强制性标准缺少完整性,有些标准也缺少先进性。如《加氢站技术规范》,是十年前借鉴国外标准组织相关规范,经国内有关专家讨论后制定的,与国外加氢站现行的技术标准相比,先进性存在不足。
近十多年来,国际氢能利用快速进步,安全标准也在实践中不断修改完善,我们需要在系统研究安全技术和借鉴国外先进标准的基础上不断修改完善我国车用氢能安全标准体系。
(三)重视构建70MPa涉氢装备制造体系
构建70MPa涉氢装备制造体系,是发展FCEV的一项重要基础性工作。我国70MPa以上压缩氢系统装备制造能力与日本、欧美存在较大差距,储氢瓶、FCEV及加氢站涉及的关键设备、仪表、阀门、加氢枪、压缩机等均不具备产业化能力,完全依靠进口。不脱除此瓶颈约束,FCEV成为我国经济未来的增长点是不可能实现的。
70MPa涉氢系统的装备制造与我国新材料研发与生产、高端装备开发与制造能力密切相关,是装备制造业迈向高质量发展的重要标志。
应加大科研投入,开展70MPa、90MPa储氢瓶和氢气压缩机及关键零部件如阀门、仪表、高灵敏氢气检测传感器、氢气火焰传感器的制造能力攻关,尽快实现70 MPa涉氢装备由中国制造。


